要用搬送机械手,就选JEL



半导体搬运机械手臂

GTFR5280(对应300mm晶圆的)5轴水平多关节型洁净机械手臂

GTFR5280-320-DM

产品视频

使用环境和规格/规格

使用环境和规格/规格

产品概要

型号名称GTFR5280
使用环境洁净间内的大气环境
手臂单臂
到达距离553mm (手臂第3关节中心到达距离)
升降轴最大行程320mm
可搬运质量4.0kg (手臂第3关节处基准)

产品型号列表

产品型号升降轴最大行程
标准GTFR5280-320-DM320mm
  • 视频展示产品为GTFR5280-320-DM

产品特点

可用于300mm半导体晶圆搬送的5轴水平多关节洁净机械手臂。
单臂双手指结构能够实现和双臂结构同样的功能。
适用于300mm半导体生产设备内部,适用于EFEM的晶片搬运。
与我司以往产品的GTCR相比,减少动作禁止区域、速度限制的影响,提高传片效率。

  • 机械手臂可以单独对应3个FOUP(280mm臂长)
  • 双手指结构能够缩短更换晶圆时的手臂动作时间
  • 绝对值编码器规格的AC伺服电机, 无需电池/直驱电机
  • 晶圆固定方式:真空吸附式,下托式,边缘夹持式
  • 可以针对被搬运物体种类,设备布局等要求提供最优的手指

标准规格

上述规格为本司使用标准真空吸附方式手指情况下的标准机械手臂规格的一个示例
机械手臂规格
机械手臂型号 GTFR5280-320-DM
被搬运物 ~300mm晶圆
晶圆吸附方式 真空吸附式
机械结构格式 水平多关节 控制轴 5軸
电机类型 AC伺服电机, 无需电池
可动范围 被搬送物体中心到达距离 升降(Z轴)  
893mm 320mm  
搬运速度(平均) 手臂(R轴) 升降(Z轴)  
950mm/sec(圆筒动作时) 320mm/sec  
重复性精度 ±0.05mm以内
洁净度 ISO标准 Class 1
厂务 电源:単相 AC200~240V -15%/+10% 50/60Hz;真空:优于-53kPa(使用真空吸附式手指)
质量 机械手臂体 大约70kg
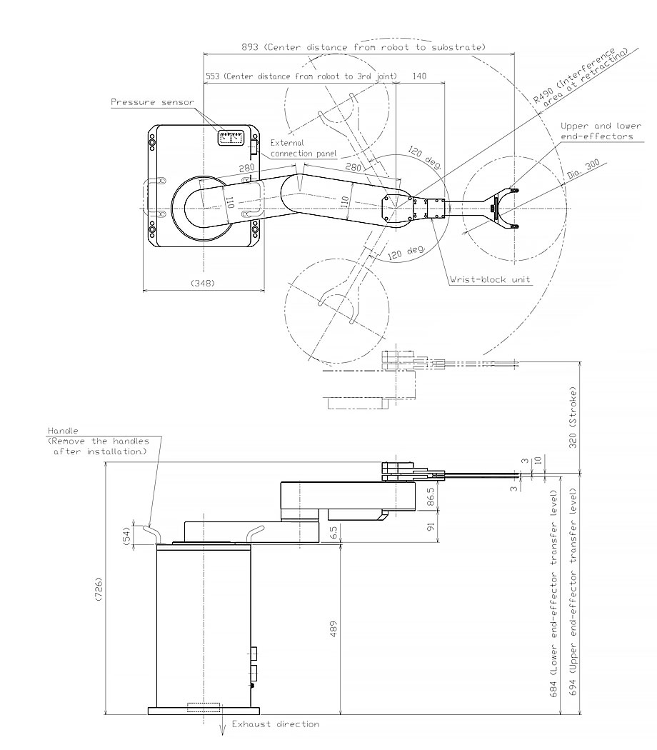
外观图(标准规格)
GTFR5280-320-DM

产品一览


指南
  • ...大气
  • ...真空
  • ...防水
  • ...单手指
  • ...双手指
  • ...薄片晶圆
  • ...CE標註
  • ...JEL标准
  • ...KCs標註